Apollo 1240/60 64 mb single simm

  • Thread starter Thread starter Marmes
  • Start date Start date
  • Replies Replies 128
  • Views Views 50618
Would be interested also, if it gives 128MB or higher. Although I can't solder :-/ Is there any other way of connecting the additional board?
 
Hi! with current apollo design is not possible to go beyond 64mb of ram with one simm, I would need to go further in its design. Reverse what it does. and see where I can catch the correct lines to get full 128mb or more.
 
64MB would be just fine for me, awesome work Marmes. :)
 
Hi!
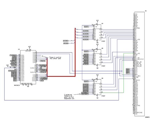
I have some news. Due to Mach210 timing code it will not be possible to add more than 64mb of ram. What I did was this: I grabbed 2 signal from simm 1 (RAS0/RAS2) & (RAS1/3) and 2 other signals with the same designation from simm 2 and combined all those 4 into just 2. I also made some soldering to some pins. From what I took the apollo board, it seems they cutted features on purpose. It seems that the board was preprared for 128mb or more and someone just took the track for A11, because the other 2 lines for A24 & A25 are still there connected , but doing nothing.Maybe marketing, or just because they didn't want it to have more mem than A4040/60. There is only one pin that comes from MACH131, that I don't know what it does. The pdf attached shows what I did, Some of the pins are also connected to MACH131, but I didn't design them. My solution: the logic is simple I used a gal22v10, because it's what I had here in my house, you can use what you want, I did this, and it works ok with the simms I tested here. I used a soic gal soldered on a small board and an inverted plcc44 socket. This image is what I did ,but I advise you to solder the 2 33R resistors that you remove from apollo board.

memsocket1.jpg

memsocketfinal.jpg


This is the code I used:

Name Name ;
PartNo 00 ;
Date 11/04/2014 ;
Revision 01 ;
Designer the guy ;
Company None ;
Assembly None ;
Location ;
Device g22v10 ;


/* *************** INPUT PINS *********************/
PIN 1 = RAS0 ;
PIN 2 = RAS1 ;
PIN 3 = RAS2 ;
PIN 4 = RAS3 ;

/* *************** OUTPUT PINS *********************/
PIN 14 = RASOUT1 ;
PIN 15 = RASOUT0 ;




!RASOUT0 = !RAS0#!RAS1;
!RASOUT1 = !RAS2#!RAS3;


I had to remove 2 resistors and solder the wires instead. The result is that I have 64mb with just one simm.
Hope you understand what I did.

Cheers!
 
Last edited:
Here is a video, Mr. Cosmos said it was not working. Sorry for my bad slow english.

 
Last edited:
That's great work my friend. Your English is also certainly better than my Portuguese.
 
Here is a video, Mr. Cosmos said it was not working. Sorry for my bad slow english.

GREAT :woot::woot::woot::woot::woot:
Its really working with 64MB of RAM with a single module.
What do you mean "Mr. Cosmos said it was not working"? Did he mean it doesnt work with a single 128MB module?
 
Last edited:
I will try to manufacture some of these boards. Is there any interest?
If yes, please state your interest here so I can know how many I will produce.
Thanks!
 
I will try to manufacture some of these boards. Is there any interest?
If yes, please state your interest here so I can know how many I will produce.
Thanks!

At what price would you be able to sell these boards as ready to be soldered into the board with the few wires? I would be interested in buying one.
 
The boards will not cost more than 25 euros, you will need to solder 2 wires.
 
@Marmes

I would suggest you start a "Group Buy" thread with links to your work here.

I would be certainly signing up for interest.

Just a quick question - does this adaptor allows for 1x 64MB SIMM or can you have two 64MB SIMM's, e.g. 1 SIMM per bank?
 
I will try to manufacture some of these boards. Is there any interest?
If yes, please state your interest here so I can know how many I will produce.
Thanks!

I'm definitely interested please
 
Back
Top Bottom